ИЗГОТОВЛЕНИЕ ПО ТЗ ЗАКАЗЧИКА.
Подробнее
Краткие технические характеристики
Мощность 115кВт (2 группы по 57,5кВт)
Маркировка взрывозащиты 1Ex db IIC T1 Gb X
Режим работы:
Температура среды на входе: -60C,
Температура среды на выходе: +15C,
Расход воздуха 4 500 нм3/ч
Материал изготовления:
Воздуховод 12Х18Н10Т,
Связка ТЭН 12Х18Н10Т,
Коробка 09Г2С.
Мощность 115кВт (2 группы по 57,5кВт)
Маркировка взрывозащиты 1Ex db IIC T1 Gb X
Режим работы:
Температура среды на входе: -60C,
Температура среды на выходе: +15C,
Расход воздуха 4 500 нм3/ч
Материал изготовления:
Воздуховод 12Х18Н10Т,
Связка ТЭН 12Х18Н10Т,
Коробка 09Г2С.
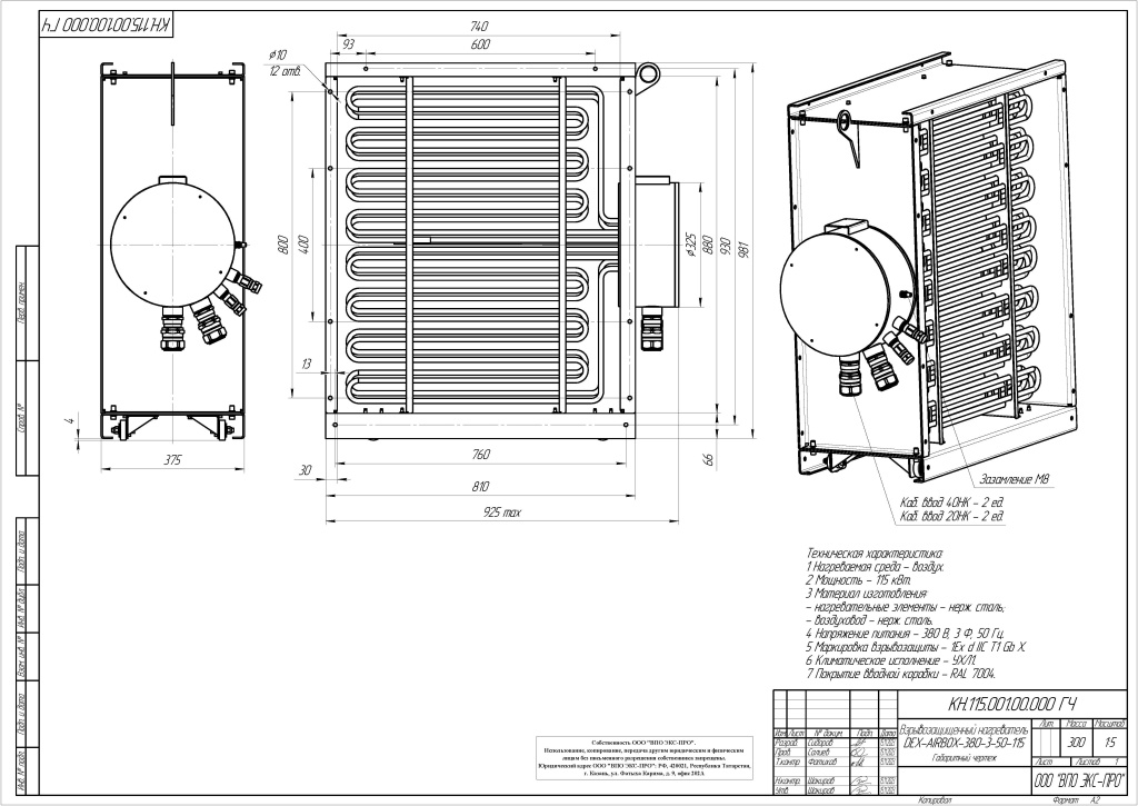
Взрывозащищенный канальный нагреватель воздуха DEX-AIRBOX-380-3-50-115 мощностью 115 кВт.
Для изготовления блока вентиляции модульного (вентиляционная установка производства ООО "ВПО ЭКС-ПРО") были изготовлены 4 канальных нагревателя. Нагреватели служат как основной источник отопления укрытия ГПА (забор воздуха с крыши и подача теплого воздуха в укрытие).
Конструкция канального нагревателя DEX-AIRBOX-380-3-50-125.
ТЭНы электронагревателя равномерно расключены в две группы (2х57,5кВт) и выведены в одну клеммную коробку типа Exd.
Жесткий воздуховод изготовлен из листа нержавеющей стали толщиной 4мм. Для контроля температуры ТЭН (каждой группы), установлены механические термостаты в выходом сухого контакта на шкаф управления приточной установки.
Для облегчения демонтажа нагревателя из установки, нагреватель оснащен колесиками и монтажной проушиной.

Дополнительная комплектация
- Датчик перепада давления,
- Датчик температуры нагреваемой среды с выходом 4..20мА,
- Воздуховоды / переходы на вентиляционные каналы Заказчика.
Для изготовления блока вентиляции модульного (вентиляционная установка производства ООО "ВПО ЭКС-ПРО") были изготовлены 4 канальных нагревателя. Нагреватели служат как основной источник отопления укрытия ГПА (забор воздуха с крыши и подача теплого воздуха в укрытие).
Конструкция канального нагревателя DEX-AIRBOX-380-3-50-125.
ТЭНы электронагревателя равномерно расключены в две группы (2х57,5кВт) и выведены в одну клеммную коробку типа Exd.
Жесткий воздуховод изготовлен из листа нержавеющей стали толщиной 4мм. Для контроля температуры ТЭН (каждой группы), установлены механические термостаты в выходом сухого контакта на шкаф управления приточной установки.
Для облегчения демонтажа нагревателя из установки, нагреватель оснащен колесиками и монтажной проушиной.

Дополнительная комплектация
- Датчик перепада давления,
- Датчик температуры нагреваемой среды с выходом 4..20мА,
- Воздуховоды / переходы на вентиляционные каналы Заказчика.